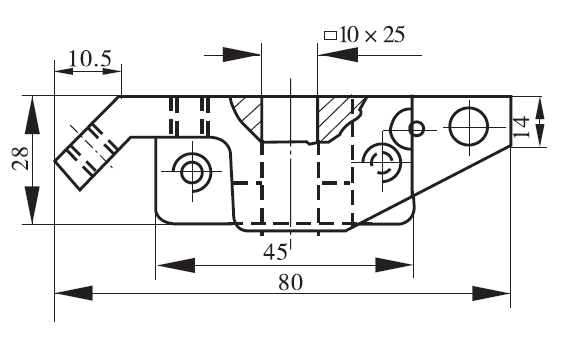
刷盒 8EB.147.618
- 配件所属车型:
- 每台配件数量:1件
- 配件材质:ZHSi80-3
- 配件重量:242克
- 配件归属总成:
湘潭湘机机车制造有限公司(原湘潭市湘机工矿配件机电厂),制造销售于一体。主要生产电机车,机车配件,直流电动机,自动开关,轮对,车轮,启动电阻,联轴器,司机控制器,防爆
配件归属机车类型
ZQ-4-2 直流牵引电机
| 配件归属机车总成类型 |
| 本站原创 |
- 上一篇:刷盒 8EB.147.617
- 下一篇:电枢线圈 5EB.523.520


