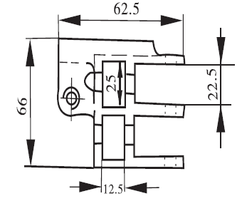
图 1 图 2 刷盒 8EB.147.609 配件所属车型: 每台配件数量:2件 配件材质:ZHSi80-3 配件重量:250克 配件归属总成: 湘潭湘机机车制造有限公司(原湘潭市湘机工矿配件机电厂),制造销售于一体。主要生产电机车,机车配件,直流电动机,自动开关,轮对,车轮,启动电阻,联轴器,司机控制器,防爆 详细信息 配件归属机车类型 XK2.5-6.7.9 48-1KBT 防爆型蓄电池式|XK2.5-4.6.7.9 48-2A 安全型蓄电池式|XK2.5-6.7.9 48A 安全型蓄电池式|XK2.5-6.7.9 48-KBT 防爆型蓄电池式 配件归属机车总成类型 ZQ-4 直流牵引电机 上一篇:电枢 5EB.647.904 下一篇:刷盒 8EB.147.611