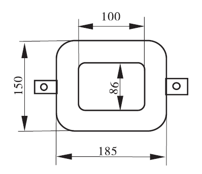
主级线圈 5EB.526.1108
- 配件所属车型:
- 每台配件数量:4件
- 配件材质:双丝包铜扁线
- 配件重量:4200克
- 配件归属总成:
湘潭湘机机车制造有限公司(原湘潭市湘机工矿配件机电厂),制造销售于一体。主要生产电机车,机车配件,直流电动机,自动开关,轮对,车轮,启动电阻,联轴器,司机控制器,防爆
配件归属机车类型
ZQ-18-5 直流牵引电机
| 配件归属机车总成类型 |
| 本站原创 |
- 上一篇:电枢线圈 5EB.524.1452
- 下一篇:电刷 5EB.578.608

