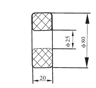
图 1 橡胶垫圈 8EB.280.097 配件所属车型: 每台配件数量:1件,2件,3件,4件,5件 配件材质:橡胶 配件重量:140克 配件归属总成: 湘潭湘机机车制造有限公司(原湘潭市湘机工矿配件机电厂),制造销售于一体。主要生产电机车,机车配件,直流电动机,自动开关,轮对,车轮,启动电阻,联轴器,司机控制器,防爆 详细信息 配件归属机车类型 ZK3-6.7.9 250-2 架线式|ZK3-6.7.9 250-1 架线式|XK5-6.7.9 90 蓄电池式|XK5-6.7.9 90-KBT 防爆型蓄电池式|XK5-6.7.9 90-1KBT 防爆型蓄电池式|XK5-6.7.9 88-KBT 防爆型蓄电池式|XK5-4 88-KBT 防爆型蓄电池式 配件归属机车总成类型 5吨车 88-KTB 走行装置 上一篇:电源装置 6EB.300.513 下一篇:弹簧 8EB.281.553